JMP will suspend normal business operations for our Winter Holiday beginning on Wednesday, Dec. 24, 2025, at 5:00 p.m. ET (2:00 p.m. ET for JMP Accounts Receivable).
Regular business hours will resume at 9:00 a.m. EST on Friday, Jan. 2, 2026.
We’re retiring the File Exchange at the end of this year. The JMP Marketplace is now your destination for add-ins and extensions.
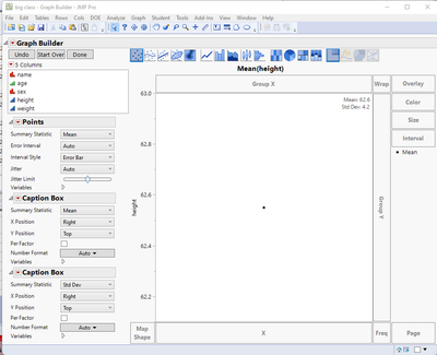
It's also worth noting that customizing both the contents of and position of the caption boxes in graph builder has had an overhaul in JMP 17. This makes adding tabulation to plots incredibly easy, see the example below for an example
Recommended Articles
'
var data = div.getElementsByClassName("video-js");
var script = document.createElement('script');
script.src = "https://players.brightcove.net/" + data_account + "/" + data_palyer + "_default/index.min.js";
for(var i=0;i< data.length;i++){
videodata.push(data[i]);
}
}
}
for(var i=0;i< videodata.length;i++){
document.getElementsByClassName('lia-vid-container')[i].innerHTML = videodata[i].outerHTML;
document.body.appendChild(script);
}
}
catch(e){
}
/* Re compile html */
$compile(rootElement.querySelectorAll('div.lia-message-body-content')[0])($scope);
}
if (code_l.toLowerCase() != newBody.getAttribute("slang").toLowerCase()) {
/* Adding Translation flag */
var tr_obj = $filter('filter')($scope.sourceLangList, function (obj_l) {
return obj_l.code.toLowerCase() === newBody.getAttribute("slang").toLowerCase()
});
if (tr_obj.length > 0) {
tr_text = "This post originally written in lilicon-trans-text has been computer translated for you. When you reply, it will also be translated back to lilicon-trans-text.".replace(/lilicon-trans-text/g, tr_obj[0].title);
try {
if ($scope.wootMessages[$rootScope.profLang] != undefined) {
tr_text = $scope.wootMessages[$rootScope.profLang].replace(/lilicon-trans-text/g, tr_obj[0].title);
}
} catch (e) {
}
} else {
//tr_text = "This message was translated for your convenience!";
tr_text = "This message was translated for your convenience!";
}
try {
if (!document.getElementById("tr-msz-" + value)) {
var tr_para = document.createElement("P");
tr_para.setAttribute("id", "tr-msz-" + value);
tr_para.setAttribute("class", "tr-msz");
tr_para.style.textAlign = 'justify';
var tr_fTag = document.createElement("IMG");
tr_fTag.setAttribute("class", "tFlag");
tr_fTag.setAttribute("src", "/html/assets/lingoTrFlag.PNG");
tr_fTag.style.marginRight = "5px";
tr_fTag.style.height = "14px";
tr_para.appendChild(tr_fTag);
var tr_textNode = document.createTextNode(tr_text);
tr_para.appendChild(tr_textNode);
/* Woot message only for multi source */
if(rootElement.querySelector(".lia-quilt-forum-message")){
rootElement.querySelector(".lia-quilt-forum-message").appendChild(tr_para);
} else if(rootElement.querySelector(".lia-message-view-blog-topic-message")) {
rootElement.querySelector(".lia-message-view-blog-topic-message").appendChild(tr_para);
} else if(rootElement.querySelector(".lia-quilt-blog-reply-message")){
rootElement.querySelector(".lia-quilt-blog-reply-message").appendChild(tr_para);
} else if(rootElement.querySelector(".lia-quilt-tkb-message")){
rootElement.querySelector(".lia-quilt-tkb-message").appendChild(tr_para);
} else if(rootElement.querySelector(".lia-quilt-tkb-reply-message")){
rootElement.querySelector(".lia-quilt-tkb-reply-message").insertBefore(tr_para,rootElement.querySelector(".lia-quilt-row.lia-quilt-row-footer"));
} else if(rootElement.querySelector(".lia-quilt-idea-message")){
rootElement.querySelector(".lia-quilt-idea-message").appendChild(tr_para);
} else if(rootElement.querySelector(".lia-quilt-idea-reply-message")){
rootElement.querySelector(".lia-quilt-idea-reply-message").insertBefore(tr_para,rootElement.querySelector(".lia-quilt-row.lia-quilt-row-footer"));
}else if(rootElement.querySelector(".lia-quilt-column-alley-left")){
rootElement.querySelector(".lia-quilt-column-alley-left").appendChild(tr_para);
}
else {
if (rootElement.querySelectorAll('div.lia-quilt-row-footer').length > 0) {
rootElement.querySelectorAll('div.lia-quilt-row-footer')[0].appendChild(tr_para);
} else {
rootElement.querySelectorAll('div.lia-quilt-column-message-footer')[0].appendChild(tr_para);
}
}
}
} catch (e) {
}
}
} else {
/* Do not display button for same language */
// syncList.remove(value);
var index = $scope.syncList.indexOf(value);
if (index > -1) {
$scope.syncList.splice(index, 1);
}
}
}
}
}
}
angular.forEach(mszList_l, function (value) {
if (document.querySelectorAll('div.lia-js-data-messageUid-' + value).length > 0) {
var rootElements = document.querySelectorAll('div.lia-js-data-messageUid-' + value);
}else if(document.querySelectorAll('.lia-occasion-message-view .lia-component-occasion-message-view').length >0){
var rootElements = document.querySelectorAll('.lia-occasion-message-view .lia-component-occasion-message-view')[0].querySelectorAll('.lia-occasion-description')[0];
}else {
var rootElements = document.querySelectorAll('div.message-uid-' + value);
}
angular.forEach(rootElements, function (rootElement) {
if (value == '557436' && "ForumTopicPage" == "TkbArticlePage") {
rootElement = document.querySelector('.lia-thread-topic');
}
/* V1.1 Remove from UI */
if (document.getElementById("tr-msz-" + value)) {
document.getElementById("tr-msz-" + value).remove();
}
if (document.getElementById("tr-sync-" + value)) {
document.getElementById("tr-sync-" + value).remove();
}
/* XPath expression for subject and Body */
var lingoRBExp = "//lingo-body[@id = " + "'lingo-body-" + value + "'" + "]";
lingoRSExp = "//lingo-sub[@id = " + "'lingo-sub-" + value + "'" + "]";
/* Get translated subject of the message */
lingoRSXML = doc.evaluate(lingoRSExp, doc, null, XPathResult.UNORDERED_NODE_SNAPSHOT_TYPE, null);
for (var i = 0; i < lingoRSXML.snapshotLength; i++) {
/* Replace Reply/Comment subject with transalted subject */
var newSub = lingoRSXML.snapshotItem(i);
/*** START : extracting subject from source if selected language and source language is same **/
var sub_L = "";
if(newSub.getAttribute("slang").toLowerCase() == code_l.toLowerCase()) {
if(value == '557436') {
if($scope.sourceContent[value]){
if($scope.sourceContent[value].subject != ''){
sub_L = decodeURIComponent($scope.sourceContent[value].subject);
}
}else{
sub_L = newSub.innerHTML;
}
}
else{
sub_L = decodeURIComponent($scope.sourceContent[value].subject);
}
} else {
sub_L = newSub.innerHTML;
}
/*** End : extracting subject from source if selected language and source language is same **/
/* This code is placed to remove the extra meta tag adding in the UI*/
try{
sub_L = sub_L.replace('<meta http-equiv="Content-Type" content="text/html; charset=UTF-8" />','');
}
catch(e){
}
// if($scope.viewTrContentOnly || (newSub.getAttribute("slang").toLowerCase() != code_l.toLowerCase())) {
if ($scope.viewTrContentOnly) {
if ("ForumTopicPage" == "IdeaPage") {
if (value == '557436') {
if( (sub_L != "") && (sub_L != undefined) && (sub_L != "undefined") ){
document.querySelector('.MessageSubject .lia-message-subject').innerHTML = sub_L;
}
}
}
if ("ForumTopicPage" == "TkbArticlePage") {
if (value == '557436') {
if( (sub_L != "") && (sub_L != undefined) && (sub_L != "undefined") ){
var subTkbElement = document.querySelector('.lia-thread-subject');
if(subTkbElement){
document.querySelector('.lia-thread-subject').innerHTML = sub_L;
}
}
}
}
else if ("ForumTopicPage" == "BlogArticlePage") {
if (value == '557436') {
try {
if((sub_L != "") && (sub_L!= undefined) && (sub_L != "undefined")){
var subElement = rootElement.querySelector('.lia-blog-article-page-article-subject');
if(subElement) {
subElement.innerText = sub_L;
}
}
} catch (e) {
}
/* var subElement = rootElement.querySelectorAll('.lia-blog-article-page-article-subject');
for (var subI = 0; subI < subElement.length; subI++) {
if((sub_L != "") && (sub_L!= undefined) && (sub_L != "undefined")){
subElement[subI].innerHTML = sub_L;
}
} */
}
else {
try {
// rootElement.querySelectorAll('.lia-blog-article-page-article-subject').innerHTML= sub_L;
/** var subElement = rootElement.querySelectorAll('.lia-blog-article-page-article-subject');
for (var j = 0; j < subElement.length; j++) {
if( (sub_L != "") && (sub_L != undefined) && (sub_L != "undefined") ){
subElement[j].innerHTML = sub_L;
}
} **/
} catch (e) {
}
}
}
else {
if (value == '557436') {
try{
/* Start: This code is written by iTalent as part of iTrack LILICON - 98 */
if( (sub_L != "") && (sub_L != undefined) && (sub_L != "undefined") ){
if(document.querySelectorAll('.lia-quilt-forum-topic-page').length > 0){
if(rootElement.querySelector('div.lia-message-subject').querySelector('h5')){
rootElement.querySelector('div.lia-message-subject').querySelector('h5').innerText = decodeURIComponent(sub_L);
} else {
rootElement.querySelector('.MessageSubject .lia-message-subject').innerText = sub_L;
}
} else {
rootElement.querySelector('.MessageSubject .lia-message-subject').innerText = sub_L;
}
}
/* End: This code is written by iTalent as part of iTrack LILICON - 98 */
}
catch(e){
console.log("subject not available for second time. error details: " + e);
}
} else {
try {
/* Start: This code is written by iTalent as part of LILICON - 98 reported by Ian */
if ("ForumTopicPage" == "IdeaPage") {
if( (sub_L != "") && (sub_L != undefined) && (sub_L != "undefined") ){
document.querySelector('.lia-js-data-messageUid-'+ value).querySelector('.MessageSubject .lia-message-subject').innerText = sub_L;
}
}
else{
if( (sub_L != "") && (sub_L != undefined) && (sub_L != "undefined") ){
rootElement.querySelector('.MessageSubject .lia-message-subject').innerText = sub_L;
/* End: This code is written as part of LILICON - 98 reported by Ian */
}
}
} catch (e) {
console.log("Reply subject not available. error details: " + e);
}
}
}
// Label translation
var labelEle = document.querySelector("#labelsForMessage");
if (!labelEle) {
labelEle = document.querySelector(".LabelsList");
}
if (labelEle) {
var listContains = labelEle.querySelector('.label');
if (listContains) {
/* Commenting this code as bussiness want to point search with source language label */
// var tagHLink = labelEle.querySelectorAll(".label")[0].querySelector(".label-link").href.split("label-name")[0];
var lingoLabelExp = "//lingo-label/text()";
trLabels = [];
trLabelsHtml = "";
/* Get translated labels of the message */
lingoLXML = doc.evaluate(lingoLabelExp, doc, null, XPathResult.UNORDERED_NODE_SNAPSHOT_TYPE, null);
/* try{
for(var j=0;j,';
}
trLabelsHtml = trLabelsHtml+'